活塞杆首页
|
加入收藏
|
企业邮局
上银全国免费热线电话:
0510-85590217
主页导航
企业概况
产品展示
新闻动态
技术装备
资质荣誉
人才招聘
在线留言
联系我们
产品列表
直线导轨
精密轴、辊系列
不锈钢扁钢
六方轴.矩型导轨
不锈钢研磨棒
直线轴承
滚珠丝杠副
梯形丝杠副
导轴滑动单元
不锈钢六方轴
联系我们
更多..
公司资质
公司业绩
联系我们
当前位置:
首页
>
产品展示
> LMF...UU
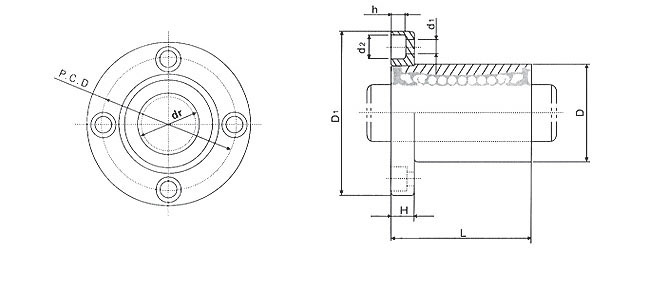
LMF...UU
轴承型号Designation
内径Inscribed clecle diameter
外径Outer diameter
长度length
法兰直径Flange diameter
LMF...UU
球列数Ball circuit
重量Weight(g)
dr
公差Tolerance
D
公差Tolerance
L
公差Tolerance
D1
公差Tolerance
LMF6UU
4
26.5
6
0-0.009
12
0-0.011
19
0-0.2
28
0-0.2
LMF8UU
4
34
8
15
17
32
LMF8UU
4
40
8
15
24
32
LMF10UU
4
78
10
19
0-0.013
29
40
LMF12UU
4
76
12
21
30
42
LMF13UU
4
94
13
23
32
43
LMF16UU
5
134
16
28
37
48
LMF20UU
5
180
20
0-0.010
32
0-0.016
42
54
LMF25UU
6
340
25
40
59
0-0.3
62
LMF30UU
6
460
30
45
64
74
LMF35UU
6
795
35
0-0.012
52
0-0.019
70
82
LMF40UU
6
1054
40
60
80
96
0-0.3
LMF50UU
6
2200
50
0-0.015
80
0-0.022
100
116
LMF60UU
6
2960
60
90
110
134
SIUNIT:1N=0.102kgf 单位:mm
国际单位:1N=0.102kgf unit:mm
H
P.C.D
联接孔Hole for attachment d1×d2×h
法兰的角度公差amgular Radial tolerance of flange μm
偏心角eccentricity(max)μm
径向间隙公差radial clearance tolerance
基本承载率basic load rating
CN
CoN
5
20
3.4×6.5×3.3
12
12
-5
21
27
5
24
3.4×6.5×3.3
12
12
-5
18
23
5
24
3.4×6.5×3.3
12
12
-5
27
41
6
29
4.5×8×4.4
12
12
-5
38
56
6
32
4.5×8×4.4
12
12
-5
42
61
6
33
4.5×8×4.4
12
12
-7
52
79
6
38
4.5×8×4.4
12
12
-7
79
120
8
43
5.5×9.5×5.4
15
15
-9
88
140
8
51
5.5×9.5×5.4
15
15
-9
100
160
10
60
6.6×11×6.5
15
15
-9
160
280
10
67
6.6×11×6.5
20
20
-13
170
320
13
78
9×14×8.6
20
20
-13
220
410
13
98
9×14×8.6
20
20
-13
390
810
18
112
11×17×10.8
25
25
-13
480
1020
相关产品
LM...UU
LME...UU
LMF LMK LMH
LM...LUU
COPYRIGHT © 2014 无锡超银科技有限公司
版权所有
.
苏ICP备14060820号-1
地址:江苏省无锡市胡埭镇龙延村工业园 电话:0510-85590217 85590219 传真:0510-85539215 85595872
E-mail:sales@wxshangyin.com http://www.wxshangyin.com