活塞杆首页
|
加入收藏
|
企业邮局
上银全国免费热线电话:
0510-85590217
主页导航
企业概况
产品展示
新闻动态
技术装备
资质荣誉
人才招聘
在线留言
联系我们
产品列表
直线导轨
精密轴、辊系列
不锈钢扁钢
六方轴.矩型导轨
不锈钢研磨棒
直线轴承
滚珠丝杠副
梯形丝杠副
导轴滑动单元
不锈钢六方轴
联系我们
更多..
公司资质
公司业绩
联系我们
当前位置:
首页
>
产品展示
> LMK...LUU
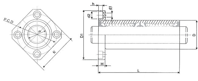
LMK...LUU
轴承型号Designation
内径Inscribed clecle diameter
外径Outer diameter
长度length
法兰直径Flange diameter
LMK...LUU
球列数Ball circuit
重量Weight(g)
dr
公差Tolerance
D
公差Tolerance
L
公差Tolerance
D1
公差Tolerance
LMK6LUU
4
26
6
0-0.010
12
0-0.013
35
0-0.3
28
0-0.2
LMK8LUU
4
46
8
15
45
32
LMK10LUU
4
88
10
19
0-0.016
55
40
LMK12LUU
4
82
12
21
57
42
LMK13LUU
4
108
13
23
61
43
LMK16LUU
5
160
16
28
70
48
LMK20LUU
5
230
20
0-0.012
32
0-0.019
80
54
LMK25LUU
6
475
25
40
112
0-0.4
62
LMK30LUU
6
575
30
45
123
74
LMK35LUU
6
870
35
0-0.015
52
0-0.022
135
82
LMK40LUU
6
1380
40
60
154
96
LMK50LUU
6
3300
50
80
192
116
0-0.3
LMK60LUU
6
4060
60
0-0.020
90
0-0.025
211
134
SIUNIT:1N=0.102kgf 单位:mm
国际单位:1N=0.102kgf unit:mm
K
H
P.C.D
联接孔Hole for attachment d1×d2×h
法兰的角度公差amgular Radial tolerance of flange μm
偏心角eccentricity(max)μm
径向间隙公差radial clearance tolerance
基本承载率basic load rating
CN
CoN
22
5
20
3.4×6.5×3.3
15
15
-5
324
529
25
5
24
3.4×6.5×3.3
15
15
-5
431
784
30
6
29
4.5×8×4.4
15
15
-5
588
1100
32
6
32
4.5×8×4.4
15
15
-5
657
1200
34
6
33
4.5×8×4.4
15
15
-7
814
1570
37
6
38
4.5×8×4.4
15
15
-7
1230
2350
42
8
43
5.5×9.5×5.4
20
20
-9
1400
2750
50
8
51
5.5×9.5×5.4
20
20
-9
1560
3140
58
10
60
6.6×11×6.5
20
20
-9
2490
5490
64
10
67
6.6×11×6.5
25
25
-13
2650
6270
75
13
78
9×14×8.6
25
25
-13
3430
8040
92
13
98
9×14×8.6
25
25
-13
6080
15900
106
18
112
11×17×10.8
25
25
-13
7650
20000
相关产品
LM...UU
LME...UU
LMF LMK LMH
LM...LUU
COPYRIGHT © 2014 无锡超银科技有限公司
版权所有
.
苏ICP备14060820号-1
地址:江苏省无锡市胡埭镇龙延村工业园 电话:0510-85590217 85590219 传真:0510-85539215 85595872
E-mail:sales@wxshangyin.com http://www.wxshangyin.com