| 联系我们 |
|
 |
 |
|
|
|
|
当前位置: 首页 > 产品展示 > 方型 RHD—B & BL
| 方型 RHD—B & BL |
|
|
|
|
|
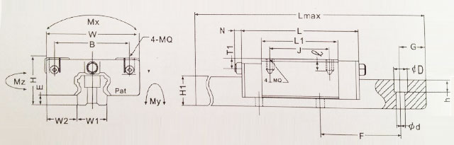
型号
|
组合尺寸
|
滑座尺寸
|
滑轨尺寸
|
H
|
W
|
W2
|
E
|
L
|
B×J
|
Mq×
|
L1
|
油孔
|
T1
|
N
|
W1
|
H1
|
F
|
d×D×h
|
RHD15B
|
28
|
34
|
9.5
|
4.6
|
56.6
|
26×26
|
M4×6.4
|
38.8
|
Ф3
|
8.3
|
5
|
15
|
14
|
60
|
4.5×7.5×5.3
|
RHD20B
|
30
|
44
|
12
|
5
|
74
|
32×36
|
M5×8
|
50.8
|
M6×1
|
7
|
6.5
|
20
|
18
|
60
|
6×9.5×8.5
|
RHD20BL
|
90
|
32×50
|
66.8
|
RHD25B
|
40
|
48
|
12.5
|
7
|
90
|
35×35
|
M6×9.6
|
59.5
|
M6×1
|
11.8
|
6.5
|
23
|
22
|
60
|
7×11×9
|
RHD25BL
|
110
|
35×50
|
78.6
|
RHD30B
|
45
|
60
|
16
|
9
|
98
|
40×40
|
M8×12.8
|
70.4
|
M6×1
|
10
|
6.5
|
28
|
26
|
80
|
9×14×12
|
RHD30BL
|
120.6
|
40×60
|
93
|
RHD35B
|
55
|
70
|
18
|
9.5
|
116
|
50×50
|
M8×12.8
|
80.4
|
M6×1
|
15
|
6.5
|
34
|
29
|
80
|
9×14×12
|
RHD35BL
|
139.3
|
50×72
|
105.8
|
RHD45B
|
70
|
86
|
20.5
|
14
|
139
|
60×60
|
M10×16
|
102
|
M8×1
|
18
|
13
|
45
|
38
|
105
|
14×20×17
|
RHD45BL
|
170.8
|
60×80
|
129.8
|
100
|
RHD55B
|
80
|
100
|
23.5
|
15
|
170
|
75×75
|
M12×19
|
118
|
M8×1
|
20
|
13
|
53
|
44
|
120
|
16×23×20
|
RHD55BL
|
205.1
|
75×95
|
156.1
|
型号
|
参考资料(mm)
|
基本荷重(kgf)
|
容许静力矩(kgf×m)
|
重量
|
Lmax
|
G
|
动额定负荷(C)
|
静额定负荷(CO)
|
Mx
|
My
|
Mz
|
滑块(kg)
|
滑轨(kgf/m)
|
RHD15B
|
4000
|
20
|
850
|
1650
|
10
|
8
|
8
|
0.21
|
1.4
|
RHD20B
|
4000
|
20
|
1450
|
2560
|
22
|
18
|
18
|
0.31
|
2.6
|
RHD20BL
|
1900
|
3330
|
28.6
|
23.4
|
23.4
|
0.47
|
RHD25B
|
4000
|
20
|
2140
|
4000
|
36
|
32
|
32
|
0.45
|
3.6
|
RHD25BL
|
2996
|
5600
|
50.4
|
44.8
|
44.8
|
0.56
|
RHD30B
|
4000
|
20
|
2980
|
5490
|
60
|
50
|
50
|
0.91
|
5.2
|
RHD30BL
|
3900
|
7190
|
78.5
|
658
|
658
|
1.2
|
RHD35B
|
4000
|
20
|
3960
|
7010
|
96
|
75
|
75
|
1.5
|
7.2
|
RHD35BL
|
5230
|
9270
|
125
|
95
|
95
|
1.9
|
RHD45B
|
4000
|
22.5
|
6740
|
12100
|
216
|
170
|
170
|
2.3
|
12.3
|
RHD45BL
|
8330
|
14950
|
267
|
210
|
210
|
2.8
|
RHD55B
|
4000
|
30
|
9940
|
47100
|
367
|
293
|
293
|
3.9
|
16.9
|
RHD55BL
|
12820
|
22060
|
473
|
380
|
380
|
5
|
|
|
| | |  |
|