| 联系我们 |
|
 |
 |
|
|
|
|
当前位置: 首页 > 产品展示 > 法兰光孔型 RHD-C & -CL
| 法兰光孔型 RHD-C & -CL |
|
|
|
|
|
|
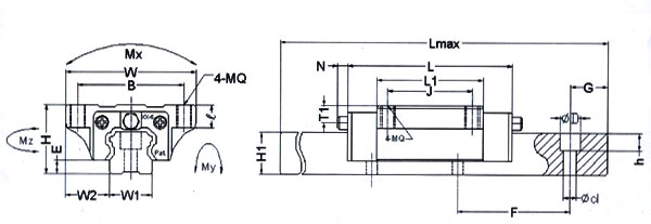
型号
|
组合尺寸
|
滑座尺寸
|
滑轨尺寸
|
|
H
|
W
|
W2
|
E
|
L
|
B×J
|
MQ×l
|
L1
|
油孔
|
T1
|
N
|
W1
|
H1
|
F
|
d×D×h
|
|
RHD15C
|
24
|
47
|
16
|
4.6
|
56.6
|
38×30
|
Ф4.5×8
|
40
|
Ф3
|
4.3
|
5
|
15
|
14
|
60
|
4.5×7.5×5.3
|
|
RHD20C
|
30
|
63
|
21.5
|
5
|
74
|
53×40
|
Ф5.5×9
|
48.8
|
M6×1
|
5
|
6.5
|
20
|
18
|
60
|
6×9.5×8.5
|
|
RHD20CL
|
90
|
63.4
|
|
RHD25C
|
36
|
70
|
23.5
|
7
|
90
|
57×45
|
Ф7×12
|
57
|
M6×1
|
5
|
6.5
|
23
|
22
|
60
|
7×11×9
|
|
RHD25CL
|
110
|
79.1
|
|
RHD30C
|
42
|
90
|
31
|
9
|
98
|
72×52
|
Ф9×12
|
72
|
M6×1
|
7
|
6.5
|
28
|
26
|
80
|
9×14×12
|
|
RHD30CL
|
120.6
|
94.3
|
|
RHD35C
|
48
|
100
|
33
|
9.5
|
116
|
82×62
|
Ф9×13
|
80.4
|
M6×1
|
8
|
6.5
|
34
|
29
|
80
|
9×14×12
|
|
RHD35CL
|
139.3
|
105.8 |
|
RHD45C
|
62
(60)
|
120
|
37.5
|
14
|
139
|
100×80
|
Ф11×15
|
102
|
M8×1
|
10
|
13
|
45
|
38
|
100
105
|
14×20×17
|
|
RHD45CL
|
170.8
|
129.8 |
|
RHD55C
|
70
|
140
|
43.5
|
15
|
170
|
116×95
|
Ф14×20
|
118
|
M8×1
|
11
|
13
|
53
|
44
|
120
|
16×23×20
|
|
RHD55CL
|
205.1
|
156.1 |
|
备注:RHD-C型系列参数资料、基本荷重、容许静力矩、重量等参照RHD-A型系列。 |
| | |  |
|